
The Single Point Load Cell Bracket is a crucial mechanical component designed to securely hold and align your single point load cell. Unlike a complete kit, this bracket serves as the primary structural interface between the load cell and the weighing platform. At HAIBO SENSOR, we precision-engineer these brackets to ensure optimal force application, which is essential for achieving high accuracy and long-term reliability in bench scales, floor scales, and other weighing devices.
Precision Machined Base: Provides a perfectly flat and stable mounting surface for the load cell, ensuring consistent performance.
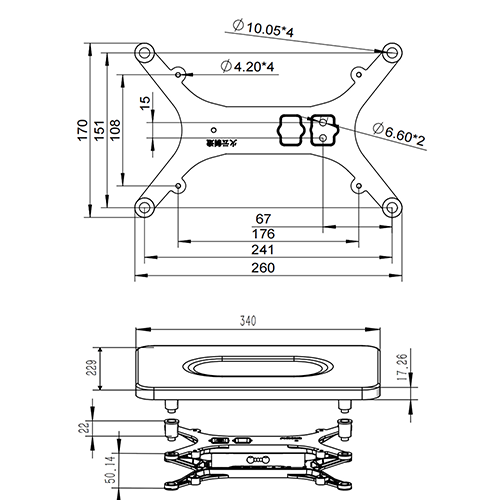
Secure Single Point load cell Fixation: Designed with specific holes and grooves to securely fasten the load cell, preventing any movement during operation.
Integrated Restraining Holes: Often includes provisions for limit stops or restraining bolts to protect the load cell from excessive side shock or lift-off.
Robust Construction: Made from high-strength materials like carbon steel or stainless steel to withstand heavy loads and harsh industrial environments.
Easy Installation: Simplifies the assembly process of your weighing scale, saving time and reducing errors.
Platform Scales
Bench Scales
Checkweighing Scales
Industrial Floor Scales
Batching and Filling Systems
| Category 类别 | English Specification 英文参数 | Chinese Specification 中文参数 |
|---|---|---|
| Material 材质 | Stainless Steel (AISI 304/316) / Carbon Steel | 不锈钢(304/316) / 碳钢 |
| Load Capacity 量程 | 2-30kNcustomizable) | 3-100Kn(可定制) |
| Mounting Types 安装类型 | Top/Bottom/Side Mount | 顶部/底部/侧面安装 |
| Surface Treatment 表面处理 | Zinc Plating/Powder Coating/Passivation | 镀锌/喷粉/钝化处理 |
| Accuracy 精度 | ±0.02% FS | ±0.02%满量程 |
| Operating Temp 工作温度 | -30°C to +70°C | -30°C至+70°C |
| Protection Level 防护等级 | IP65 (optional) | IP65 |
| Custom Options 定制选项 | – Bolt length adjustment -Digital Signal |
– 螺栓长度调整
-信号输出 |
| Lead Time 交货期 | Standard: 2-3 weeks Express: 1 week (additional cost) |
标准: 4-5周 |





| 参数名称 (Parameter) | 值/范围/描述 (Value/Range/Description) |
|---|---|
| 额定载荷 (Rated Load) (kN) | 3-120(Kn) |
| 综合精度 (Comprehensive Precision) | 0.03~0.05%F·S |
| 灵敏度 (Sensitivity) | 2.0 mV/V |
| 蠕变 (Creep) | ±0.02 %F·S/30min |
| 零点输出 (Zero Output) | ±1 %F·S |
| 零点温度影响 (Temperature Effect On Zero) | ±0.02 %F·S/10℃ |
| 输出温度影响 (Temperature Effect On Output) | ±0.02 %F·S/10℃ |
| 工作温度范围 (Operating Temperature Range) | -20℃~+65℃ |
| 输入阻抗 (Input Resistance) | 380±10 Ω |
| 输出阻抗 (Output Resistance) | 350±3 Ω |
| 绝缘电阻 (Insulation Resistance) | >5000 MΩ |
| 安全过载 (Safe Load Limit) | 150% F·S |
| 供桥电压 (Bridge Voltage) (建议 Recommended) | 10V DC |
| 材质 (Material) | 合金钢 (Alloy Steel) |
| 传感器接线方式 (Load Cell Wiring) | |
| 输入+ (Input+) | 红 (Red) |
| 输入- (Input-) | 黑 (Black) |
| 输出+ (Output+) | 绿 (Green) |
| 输出- (Output-) | 白 (White) |
You can get a price of this model or send us any question to get any information you would like to know, we will reply to you soonest.