
HTLS2004C 是一个 轮辐式力传感器具有外形小巧、刚性好、精度高、抗不平衡载荷能力强等特点。该传感器广泛应用于各种领域,包括皮带秤、料斗秤、仓库秤、材料罐、材料机械试验机和劳动保护安全检查设备。
材料:合金钢或不锈钢合金钢或不锈钢
能力范围:从几牛顿 (N) 到几千牛顿 (kN)。
可选配集成标准信号输出,如 4-20 mA 或 0-5 V 三线放大器。
防护等级:通常为 IP65/IP66(防尘防水)。
温度补偿:最大限度地减少热变化引起的漂移
料斗秤和筒仓称重
起重机秤和过载监控
张力控制(如电缆、绳索、传送带)
机器测试和测力
配料、混合和搅拌系统
皮带秤和动态称重
工业自动化和过程控制
材料试验机
海洋/近海设备
航空航天部件测试
导线长度。
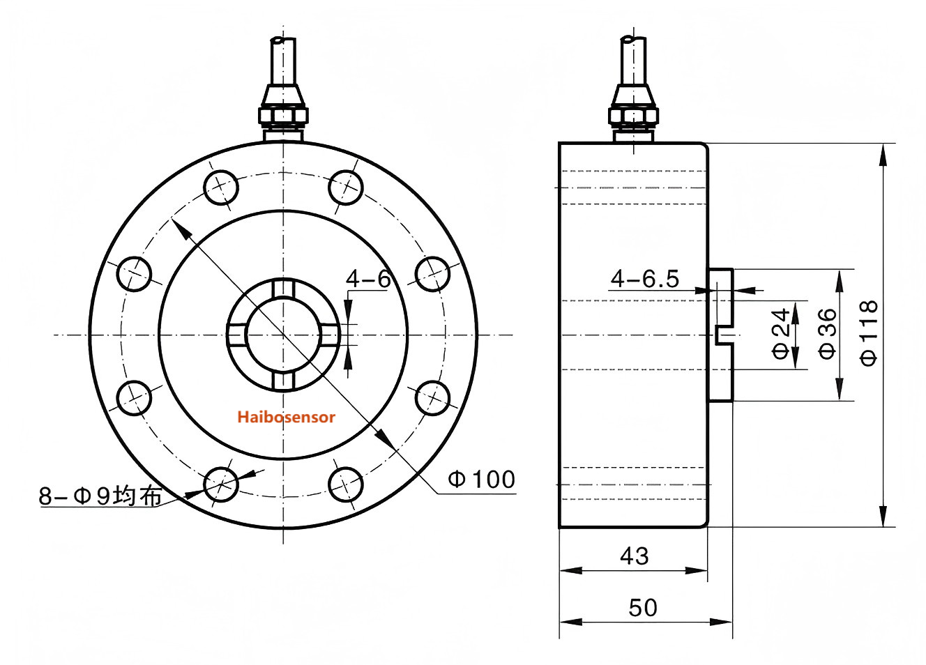
称重传感器外部尺寸
ODM/OEM.
称重配件:放大器、数字信号 RS232 或 RS485、接线盒、发射器。
包装

| 参数/参数 | 规格/数值 |
|---|---|
| 额定载荷 | 10、20、30、50、100(千牛顿) |
| 综合精度 | 0.05~0.1% f-s |
| 灵敏度 | 2.0 mV/V |
| 蠕变 (Creep) | ±0.05% f-s/30 |
| 零点输出 | ±1% F-S |
| 零点温度影响(温度对零点的影响) | ±0.05% f-s/10℃ |
| 输出温度影响(温度对输出的影响) | ±0.05% f-s/10℃ |
| 工作温度(工作温度范围) | -20℃~+65℃ |
| 输入阻抗(输入电阻) | 380±10 Ω 或 750±15 |
| 输出阻抗(输出电阻) | 350±3 Ω 或 700±5 |
| 绝缘电阻 | ≥5000 MΩ |
| 安全过载 (Safe Load Limit) | 150% F-S |
| 供桥电压 | 建议 10V DC |
| 材质 | 合金钢(合金钢)或不锈钢(不锈钢) |
| 传感器接线方式 (Load Cell Connection) | 输入+: 红 (Input+: Red) 输入-:黑 (输入-: 黑色) 输出+: 绿 (输出+: 绿) 输出-:白 (输出-: 白色) |
| 变送器接线方式(放大器连接) | 电源: 红 (Power: Red) 公共端: 蓝 (Public: Blue) 输出: 白 (输出: 白) |
您可以获得该型号的价格,也可以向我们提出任何问题,了解您想知道的任何信息,我们将尽快给您答复。