
罗斯特夫妇 应变仪-3BB-A 是 生产的高精度箔式应变计 HBSENSOR (海博传感器有限公司(Haibo Sensor)是应变测量解决方案的专业生产商。 HBSENSOR(海波传感器) 是一家专业的称重传感器制造商,专注于应变计、称重传感器和测力系统。公司为测量、分析和测试等行业提供可靠的解决方案。.
HAIBOSENSOR BF350-3BB应变片采用酚醛和环氧树脂衬底,进口EVAN网格材料,阻值350±3Ω,灵敏度2.1±1%,适用于-30℃-60℃的工作环境,性能稳定,测量准确。它广泛应用于结构应力监测、材料力学实验、机器人关节反馈、医疗康复等领域,为各种应变检测提供可靠的数据支持。.
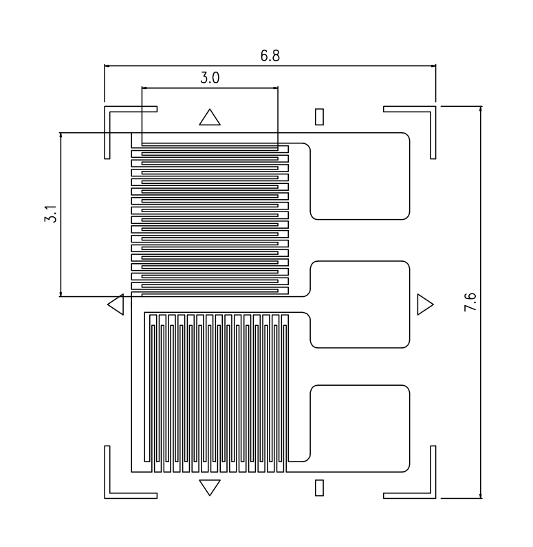
| 类别 | 项目 | 规格 | 单位 |
|---|---|---|---|
| 基本型号和尺寸 | 模型 | BF350-3BB | – |
| 衬垫尺寸(长×宽) | 6.8 × 7.6 | 毫米 | |
| 网格尺寸(长×宽) | 3.0 × 3.1 | 毫米 | |
| 材料构成 | 背面材料 | 酚醛和环氧树脂 | – |
| 网格材料 | 进口 EVAN | – | |
| 电气性能 | 阻力 | 2000 ± 5 | Ω |
| 平均电阻公差 | ≤ 0.6 | Ω | |
| 灵敏度(测量系数) | 2.1 ± 1% | – | |
| 环境和机械性能 | 工作温度 | -30 ~ 60 | ℃ |
| 热输出 | ≤ 2; ≤ ±30 | μm/m/℃; μm/m | |
| 绝缘阻抗 | 10000 | MΩ | |
| 有限应变 | 20000 | μm/m | |
| 机械滞后 | ≤ 1.2 | μm/m |
HAIBOSENSOR BF350-3BB应变片电阻精度高、温漂小、机械稳定性强,是各种小型/微型称重和压力传感器模块的核心敏感元件。它专注于称重传感、工业测力和精密检测三大核心领域,精确应用场景如下:
制造称重传感器:单点称重传感器、平行梁称重传感器和微型称重传感器的核心敏感元件,适用于民用/商用小型称重设备(如电子秤、厨房秤、快递秤和小型台秤)的研发和生产;;
工业小力测量:制造微型压力传感器和微型张力-压缩传感器,应用于工业精密测力场合,如自动化生产线中的小力测量、轻工业包装设备中的压力检测以及纺织机械中的微张力测量;;
仪器仪表的精密传感:各种便携式测试仪器和微型测力仪器的内置传感核心,适用于实验室的微小力值检测和工业现场的微变形/微力值精确采集。.
我们提供定制粘接服务:根据客户的弹性体尺寸和安装条件,专业完成应变片的精确粘接、固化、引线焊接和温度补偿调试,确保粘接贴合度和传感器检测精度,大大缩短客户的生产周期,适应各种定制传感器模块的开发需求。.


您可以获得该型号的价格,也可以向我们提出任何问题,了解您想知道的任何信息,我们将尽快给您答复。